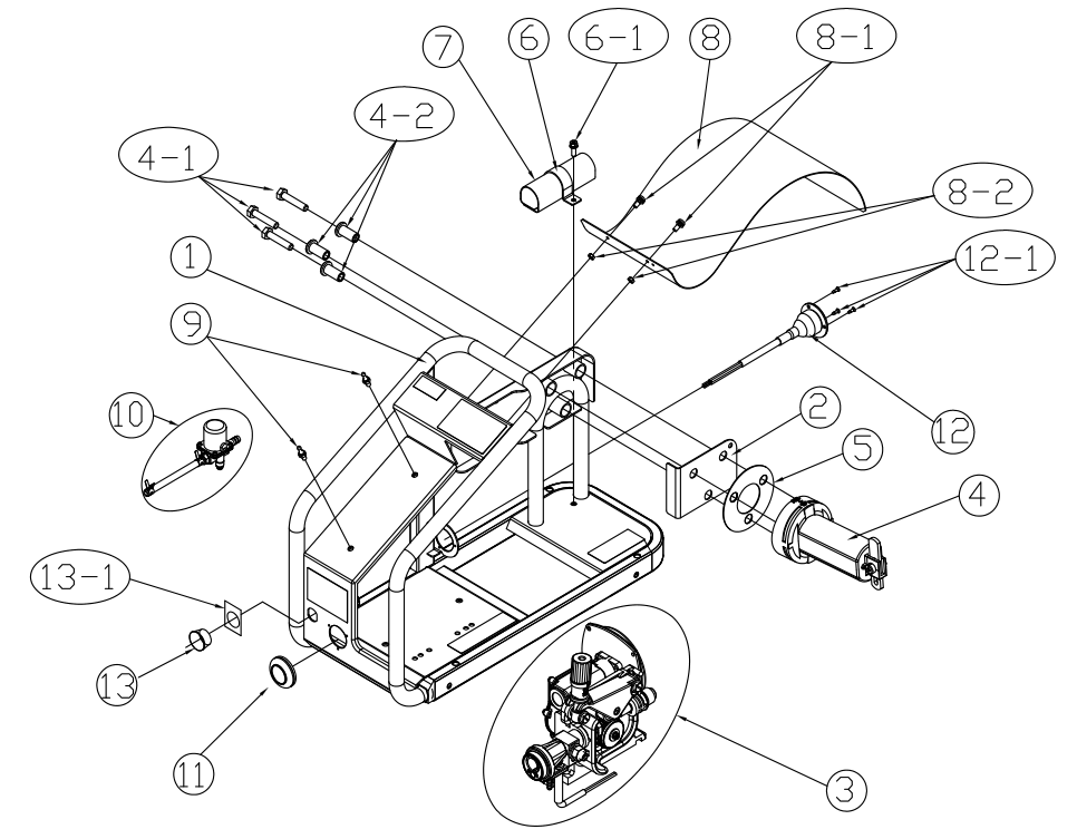
Ba mẫu bộ cấp dây OTC CM6201, CM6202 và CM6402 có thông số kỹ thuật chủ đạo và các thành phần cáp điện tương tự nhau, cùng với mã đặt hàng OTC tương ứng. Trước tiên, chúng ta hãy xem xét sơ đồ máy chủ và sơ đồ đấu dây của thiết bị.

Sơ đồ đấu dây và kết nối chính của bộ cấp dây OTC
Dưới đây là danh sách chi tiết các linh kiện và thành phần tương ứng với sơ đồ trên:
Các model CM6201, CM6202 và CM6402 có thiết kế tương tự và nhiều linh kiện có thể hoán đổi cho nhau, giúp việc bảo trì và thay thế dễ dàng.
Một số thành phần tham chiếu đến các sơ đồ chi tiết khác (như 9.2 và 9.3) để biết thông tin đầy đủ về cấu trúc lắp ráp.
Nhiều thành phần sử dụng tiêu chuẩn công nghiệp Trung Quốc (GB) cho bu-lông, vít và đai ốc, đảm bảo khả năng thay thế rộng rãi.
Bộ cấp dây OTC CM series được thiết kế để tích hợp hoàn hảo với các máy hàn OTC, cung cấp giải pháp cấp dây ổn định và chính xác cho quy trình hàn MIG/MAG. Sơ đồ đấu dây rõ ràng giúp kỹ thuật viên dễ dàng lắp đặt, bảo trì và khắc phục sự cố.